欢迎来到宁波旭尧线上书店经营有限公司

您当前所在的位置:主页 > 产品中心 > 起重吊钳系列 >
LIFTING CLAMP SERIES
起重吊钳系列

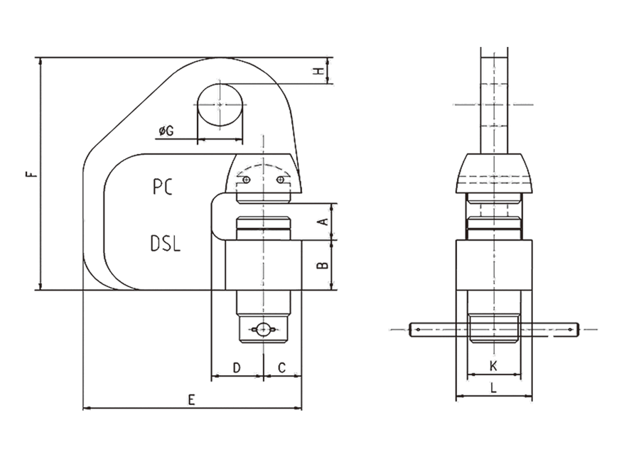
螺旋式万能夹钳(PC)

螺旋式万能夹钳(PC)

特点: 1、不仅可以竖拉,横拉,还可替代向上拉用的吊环或者压力加工时的牵引物等。 2、钳体采用优质合金钢模锻而成,经过热处理,性能稳定,具有高强,高韧性。 3、螺栓螺纹采

全国咨询热线:

更多联系方式
-产品详情- -产品参数-
特点:
1、不仅可以竖拉,横拉,还可替代向上拉用的吊环或者压力加工时的牵引物等。
2、钳体采用优质合金钢模锻而成,经过热处理,性能稳定,具有高强,高韧性。
3、螺栓螺纹采用自锁式的特殊螺纹。
用途:
1、用于钢铁构造物,铁具的吊起,搬运等工作。
2、用于辅助钢材的固定作业。
使用注意事项:
1、横吊,竖吊作业时请使用2台一组进行工作,起吊时夹角必须小于120度。
2、紧固螺栓时的力矩为180km/cm以上。
3、务必确定起吊物的重心,一旦起吊物脱离重心起吊,容易产生夹钳掉落的危险。
4、请确保夹钳紧固,方可进行工作。

产品参数

相关产品

创造客户价值 助力客户成功

宁波旭尧线上书店经营有限公司凭借着高新的技术、优异的品质及良好的服务赢得了客户点赞,在国内外众多企业大放异彩!

COPYRIGHT© 宁波旭尧线上书店经营有限公司 ALL RIGHTS RESERVED